Versand innerhalb von 24/72 Stunden
|
Kundenbetreuung
+393332686194
Chiudi ricerca
Mostra
Ordina per
Kategorien
Kategorien
SPEZIALANGEBOT
ANLEGEN UND VERANKERUNG
Anker für Boote
Anker aus verzinktem Stahl
Edelstahl-Anker
Anker aus Aluminiumlegierung
Schwimmanker
Ketten
Kalibrierte Ketten
Genueser Typ mit langer Kette
Kettenzubehör
Kettenobersysteme
Zubehör für die Verankerung
Stollen und Ösen
Ankerstopper und Ankerzubehör
Drehgelenke für Anker
Schäkel und Karabiner
Bootsliegeplatz Quellen
Bugrollen
Winden und Ankerwinde
Ankerwinde Lofrans
Zubehör und Ersatzteile für Lofrans' Ankerwinden
Ankerwinde Mz Electronic
Zubehör und Ersatzteile für Mz Elektronische Ankerwinden
Ankerwinde Winschen Quick
Zubehör und Ersatzteile für schnelle Ankerwinden
Maxwell Ankerwinde
Maxwell Ankerwinde Zubehör und Ersatzteile
Manuelle und elektrische Winden
Lewmar-Anker
Lewmar Ankerwinde Zubehör und Ersatzteile
Bug- und Heckstrahlruder
Max Power-Triebwerke
Zubehör Steuerung Thruster Max Power
Schnellstrahlruder
Zubehör Schnellstrahlrudersteuerung
Bugstrahlruder und Vetus-Manöver
Lewmar Bugstrahlruder
Nautische Seile und Seilzubehör
Festmacher und nautische Seile
Festmacher mit Fingerhüten
Festmacherzubehör
Verschiedene Zöpfe und Nylonkarabiner
Kotflügeloberteile
Zehenriemen, Schnallen
Bojen und Fender
Polyform-Kotflügel
Majoni-Kotflügel
Plastimo Kotflügel
Kotflügelabdeckungen
Boe und Gavitelli
Bug- und Heckfender, Stoßfängerprofile
Bottazzi und Kotflügelprofile
Pontons Profile
Tessilmare Kotflügelprofile
Profil von Sphaera Tessilmare
Radiales Tessilmare-Profil
Bino Tessilmare-Profil
TR Kotflügelprofil
NAUTISCHE HARDWAREAUSRÜSTUNG
Treppen / Bretter
Heck- und Bugleitern
Leitern für Taucher
Leitern für Segelboote
Leitern für Schlauchboote
Leiterzubehör
Heckplattformen
Halterungen für Außenbordmotoren
Motorhalterungen für Plattformen
Neige- und Pantograph-Motorstützen
Laufstege
Feste Gehwege
Klapp- und Teleskopgangways
Zubehör und Ersatzteile für Gangways
Hydraulische Gangways
Flaggen, Auktionen und Aufkleber
Fahnenmasten
Sockel für Fahnenmasten
Nationale Navigationsflaggen
Schilder, Codes und Klebetabellen
Buchstaben- und Zahlenaufkleber
Rutenhalter und Zubehör
Rutenhalter Messing, Edelstahl, Kunststoff
Zubehör Ersatzteile Rutenhalter
Halbe Matrosen
Ruder und Paddel
Überdachungen Markisen Bezüge Handtücher
Vordächer Markisen
Zubehör Vordächer Markisen
Abdeckungen für Boote
Lüfter, Grills und Lufteinlässe
Elektrische Ventilatoren und Ventilatoren
Lufteinlassgitter aus Edelstahl
Lufteinlassgitter aus Kunststoff
Wind Ärmel
Handläufe Handläufe Kanzeln Spanner
Handläufe Handläufe
Spannschlösser und Zubehör
Kanzelrohr unterstützt Basen
Scheren und Spleißzangen
Rowlocks und Clips
Überrollbügel und Davits
Tanks Tanks und Boarding Caps
Türen, Bullaugen, Luken, Gasdruckfedern und Jalousien
Bullaugen, Luken und Mannlöcher
Begehbare Türen und Luken
Gasfedern, Campassi und Aktuatoren
Luken und Inspektionskappen
OCEANAIR Vorhänge für Bullaugen und Luken
Riegel, Türstopper, Verschlüsse und Scharniere
Riegel aus Edelstahl, Messing, Nylon
Türstopper
Verschlüsse aus Edelstahl und Messing
Serviettenheber Messing, Nylon
Edelstahl-Messing-Nylon-Scharniere
Zylinder, Vorhängeschlösser und Schlösser
Zylinderschlösser
Vorhängeschlösser aus Edelstahl
Türschlösser Griffe Türen Schubladen
U-Bügel, Brücken, Augenschrauben
Parafil-Edelstahlkabel, Kauschen, Spanner
Edelstahlschrauben
Schlauchschellen
Haken und Kleiderbügel
HAUSHALTSGERÄTE, HYDRAULIK, SANITÄR
Bilgenpumpen, Autoklaven für Boote
FEIT Pumpen
GIANNESCHI Autoklavenpumpen
Pompe Marco SPA Italien
Jabsco Rule Pumps
Johnson Pump Pumpen
TMC-Pumpen
Attwood Pumpen
Walpumpen
Shurflo-Pumpen
Wirtschaftliche Bilgenpumpen
Autoklavenpumpen
Selbstansaugende Pumpen
Gefangene Belüfterpumpen
Pumpen Autoklaven ANCOR
Manuelle Pumpen
Pumpen für Transfer- und Deckwäsche
Zubehör Ersatzteile Pumpen
Schalter für Bilgenpumpen
Schalter für Bilgenpumpen
Bedienfelder
Zerhacker WC - Ablaufpumpen
Manuelle und elektrische Toiletten
Elektrische Toiletten
Manuelle Toiletten
Toiletten-Umwandlungsset
Ersatzteile für Toilettenzubehör
Laufräder für Motoren und Pumpen
Original Jabsco Laufräder
ANCOR Motorkühlpumpen
Öl- und Dieselförderpumpen
Sammelbrunnen
Hydraulische Armaturen
Bronzebeschläge
Messingbeschläge
Ventile und Magnetventile
Wasserfilter
Wasserhähne
Wasserhähne / Mixer
Duschen Duschen
Schläuche, Behälter und Zubehör für Handbrausen
Abflüsse und Speigatten aus Nylon
Abflüsse und Speigatte aus rostfreiem Messing
Marine Nautische Kessel
Meereswassermacher
Klimaanlage
Luftentfeuchter
Haushaltsgeräte
Iglu-Eisboxen
Icey-Tek Eisboxen
Kühlschränke, Gefrierschränke, Eismaschinen
Spülen Spülen
Öfen Küchenöfen
Grill und Zubehör
Schwarz- und Grauwassertanks
Klarwassertanks
Messing-Nylon-Schnellkupplungen und Sucers
Wasserleitungsrohre
Klare Wasserrohre
Schwarze Wasserpfeifen
Warmwasserleitungen
Wasserkupplungen
Eimer und Schaufeln
Expansions- und Aleggio-Kappen
LAGERUNG UND WARTUNG
Öle und Schmiermittel
Schiffsmotorenöl
Hydraulisches Öl
Fette und Schutz
Korrosionsschutz und Additive
Reinigungsschmierstoffe
Absorptionsmittel
BARDAHL Öl, Fett und Additive
Kleber und Klebstoffe
Dicht- und Klebstoffe
Kleber und Reparatursets
Klebebänder
Farben und Lacke
Sprühfarben
Farben für Holz
Verdünnungen
Bürsten und Zubehör
Grundierungen, Basen und Emails
Gelcoat-Farbe
Epoxidharz
Antifouling
Antifouling-Farbset
HEMPEL Antifouling
AEMME COLORI Antifouling
MARLIN Antifouling
VENEZIANI Antifouling
Anoden und Zink
Rümpfe
Motoren
Kit Anoden Zinkmotoren
Zinkanodenboot
Reinigung von Booten und Schlauchbooten
Reinigung des Teakholzes
Wasch- und Reinigungsmittel
Wachse, Protektoren und Polituren
Bootsreinigungszubehör
StarBrite Reinigungsprodukte
SHURHOLD-Produkte
TBRITE-Produkte
3M Reinigungs- und Wartungsprodukte
Deck Mate Reinigungsprodukte
Euromeci Reinigungsprodukte
Reinigungsprodukte TK LINE
IOSSO Reinigungsprodukte
Clin Azur Reinigungsprodukte
Karren, Requisiten, Zubehör
Beiboot-Trolleys
Absätze Requisiten Staffeleien
Trolleys Zubehör
ELEKTRISCHE UND SIGNALE
Batterien, Wechselrichter und Ladegeräte
Batterien
Batteriezubehör
Batterieschalter
Wechselrichter und Ladegerät
Laderegler und tragbare Batterien
DURACELL Alkaline-Batterien
Schalter und Steckdosen
MARINCO Steckdosen, Stecker, Kaikabel
Steckdosen, Stecker, Kaikabel
Steckdosen, Stecker Kabel Dockside HUBBEL
Schalter und Lichter
Steckdosen und Stecker
Kabelverschraubungen aus Stahl, Messing, Nylon
Navigationslichter
Aqua-Signalleuchten
Hella Marine Leuchten
Navigationslichter Osculati
Navigationslichter
DHR-Lichter
Unterwasserbeleuchtung und Innenscheinwerfer
Unterwasser-Leuchttürme
BlueFin Unterwasserbeleuchtung
Schnelle Unterwasserbeleuchtung
Innendecke und Strahler
Deckenleuchten
Innenstrahler
Quick Led Scheinwerfer
Elektrische Lampen im ALTEN STYLE
LED-Streifen
Feste, manuelle und ferngesteuerte Projektoren
Höflichkeitslichter
Schnelle Höflichkeitslichter
Ersatzbirnen
Halogenlampen
LED-Lampen
Trompeten
Fackeln
Schalttafeln
Scheibenwischer, Arme und Bürsten
Generatoren und Generatorsätze
Elektrokabel
Faston, Kabelschuhe, Sicherungen, Sicherungshalter
Gürtel, Geflochtene Socken, Spiralen
INSTRUMENTATION / ELEKTRONIK
Seekarten und Portolani
GPS-Navigationsgeräte Echoscadagli
Eco / GPS Lowrance
Raymarine
GARMIN Kartenplotter Fischfinder
GPS Navigatoren Nav-Station
SIMRAD-Instrumentierung
VDO-Instrumentierung
Furuno-Instrumentierung
Elektronische GPS-Kartografie
Wandler, Blackbox, Anschlusskabel
Tragbares GPS
UKW-Funk und Antennen
Cobra Marine Tragbare und feste UKW-Funkgeräte
Garmin UKW-Funkgerät
I-COM Tragbare und feste UKW-Funkgeräte
Tragbare und feste UKW-Funkgeräte von Horizon
Radio Stereo Marine KICKER
Nautisches Stereoradio
Epirb und AIS
UKW- und GPS-Antennen
Satellitenantennen, TV-Antennen
Lautsprecher
Meteorologische Instrumentierung
Barigo-Instrumentierung
Autonautische Bordinstrumente
Windex Windfahne und Anemometer
Fernglas
Füllstandsanzeigen und Instrumente
VDO OCEAN LINE Indikatoren und Instrumente
VDO VIEW LINE-Anzeigen und -Instrumente
VDO Kraftstoff- und Wassersensoren
Indikatoren und Instrumente FAIA INSTRUMENTS
CRUZPRO Indikatoren und Instrumente
Zirkel
RIVIERA GENOVA Kompasse
PLASTIMO Kompasse
AUTONAUTISCHE Kompasse
Kameras und Videos
Tracker-Alarme Satellitensysteme
SICHERHEIT / BORDAUSRÜSTUNG
Rettungswesten und Ringfinger
Schwimmwesten
Schwimmwesten
Zubehör für Jacken
Sicherheitsgurte und Banzighi
Signale
Feuerlöscher
Erste-Hilfe-Kästen
Komplettes Sicherheitsausrüstungsset
Zattere und Tender
Eurovinil-Ausschreibung
Ausschreibung Arimar
Eurovinil Flöße
Arimar Flöße
Gibsy-Tender
CIMATECNIC Ausschreibung
Ausschreibung Plastimo
Plastimo Flöße
Zubehör für Tender und Schlauchboote
Zubehör für Flöße und Sättel
Aufblasgeräte und Kompressoren
Manoverboard- und IOR-Auktionen
Schutzkleidung
Freizeitkleidung
Messer
Behälter und wasserdichte Koffer
Rettungsringe und Zubehör
Rettungsringe und Baywatch
Zubehör für Rettungswesten
Helle Bojen
MECHANIK, MOTOREN UND ANTRIEBSSYSTEME
Lenk- und Fahrsysteme
Vetus Innenbord-Hydrauliklenkung
MAVIMARE Außenborder-Hydrauliklenkung
Hydraulische Ultraflex-Lenkung
Seastar Dometic Hydraulische Lenkung
Ruder und Steuerräder
Landeklappen und Seitenruder
Mechanische und Einkabel-Lenksysteme
Zubehör für hydraulische Lenksysteme
Führungssystem-Zubehör
Lenksteuerboxen
Fernbedienungskabel für die Motorsteuerung
Außenbordmotoren
Zubehör für Außenbord-Elektromotoren
Motor-, Kraftstoff-, Dekanter- und Abscheiderfilter
Dieselfilter und -patronen
Ölfilter und Patronen
Kraftstofffilter
Luft-Wasser-Filter
Filter und Benzinkartuschen
Dieselreinigungssysteme
Kerzen
Deckstopfen
Treibstofftanks
Tragbare Kraftstofftanks
Kraftstofftanks mit großem Durchfluss
Kraftstoff-Motorkupplungen
Zubehör Tanks und Trichter
Zubehör für Außenbordmotoren
Stabilisatorflossen
Diebstahlsicherungen, Sumpfschutzbleche
Motorhalterständer
Motorhaube
Schwingungsdämpfer
Propeller Motoren
SOLAS Aluminiumpropeller
SOLAS Edelstahlpropeller
Solas DUOPROP Propeller
Solas Multifit und flexibles Kupplungsset
Schalldämpfer und Anti-Siphons
Kraftstoffentlüftungen aus Edelstahl Messing Kunststoff
Motorwaschkappen und Verlängerungsstangen
Buchsen für Achsen
Sicherheitsschlüssel für Motoren
Schallabsorbierend Schalldämmung Wärmedämmung
Faltenbalghülsen Motoren
Kraftstoffleitungen
Ersatzteile für Motoren
Ersatzteile für MERCRUISER-Motoren
OMC, VOLVO Motorersatzteile
BRP Engines Ersatzteile, MERCURY
Laufräder für Innenbordmotoren
SEGELN UND WASSERSPORT
Segeln und Segelzubehör
Ubi Maior Rollreffklötze
Barton Pastecche-Blöcke
Viadana-Blöcke
Riemenscheiben, Klampen, Fairleads, Jumper
Windengriffe und Türgriffe
Serravele, Abdeckung, Windfahne, Neigungsmesser
Genua- und Spin-Trolleys
Winde und Zubehör für Winde
Starre Vangs
Delfin
Wassersport
Aufblasbare SUP-Boards
Schleppen von Schlauchbooten
Wakeboard und Wasserski
OBJEKTE UND MÖBEL
Geschirr Aschenbecher Getränkehalter
Magnetische Brille SILWY
Marine Business Geschirr und Möbel
TOP CLASS Teller und Gläser
Zubehör aus Teakholz
Umschläge und Hüllen
Anti-Möwen
Fahrräder
Schutznetze und Objekthalter
Teppiche aus Stoff und Seil
Stühle, Sitze, Bezüge, Tische
Tischstützen
Schlüsselhalter
Badezimmermöbel
Zimmereinrichtung
Schalungen und Schließfächer
Meine Favoriten
Anmeldung
Anmelden
SPEZIALANGEBOT
Marken
Blog
VERSAND STARTET WIEDER AM 07.01!
Gelenkige Nylonbasis
prezzo
€ 14,19
€ 16,69
-15%
In den
Gelenkige Nylonbasis
Details
Richiedi info
Opinioni
prezzo
€ 14,19
€ 16,69
-15%
In den
UKW- und GPS-Antennen
Home
INSTRUMENTATION / ELEKTRONIK
UKW-Funk und Antennen
UKW- und GPS-Antennen
-15%
Gelenkige Nylonbasis
Marken
MARINE TOWN
-
Code:
5555205
(0)
€ 14,19
€ 16,69
-15%
Risparmi € 2,50
iva inclusa
Bestellen Sie noch heute bis 12:00 Uhr, um Ihre Ware am zu erhalten
13/01/2026
menge
Verfügbarkeit anfragen
In den Warenkorb legen
Drucken
Scrivi recensione
Envoyer à un frien
Condividi
Code
Titel
5555205
Gelenkige Nylonbasis
Details
Informationen anfordern
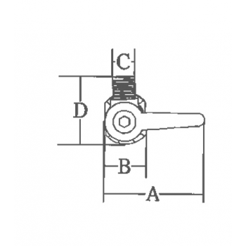
GELENKBASIS AUS NYLON
Gelenksockel aus Nylon zur Montage an Rohren Ø mm. 22-25. Abm. Mm. A = 110 B = 44 C = 25 D = 70
Bewertungen
Um eine Bewertung zu
a>.
Aus derselben Kategorie
BEST PRICE
- 35%
Banten FASTFIT VHF Antennenbasis
€ 68,32
€ 44,41
BEST PRICE
- 35%
Banten FASTFIT UKW-Antenne
€ 75,64
€ 49,17
- 10%
Scout PA-3 Gelenksockel aus 4-Wege-Nylon
€ 26,00
€ 23,40
- 17%
Swivelling base f. GPS/VHF antenna
€ 13,76
€ 11,42
- 10%
Scout KS-108 FM Antenne 90 cm Faserplatte
€ 46,00
€ 41,40
- 15%
Banten WIFI 2188 Antenne zum direkten Anschluss an den PC
€ 201,02
€ 170,86
- 15%
Cantilever-Unterstützung für Antenne
€ 66,76
€ 56,75
- 11%
GPS/UHF antenna base w/universal screw thread
€ 14,66
€ 13,07
×
Gelenkige Nylonbasis
Geben Sie Ihre Daten ein, um informiert zu werden, sobald das Produkt wieder verfügbar ist
Name
Familienname
E-Mail-Adresse
×
Gelenkige Nylonbasis
×
Envoyer à un frien
×
Custom form
Email Newsletter
Abonnieren Sie unseren Newsletter
Begleiten Sie uns
Ich akzeptiere die Privatsphäre (
Link
)
P.IVA 02034060406
Software Ecommerce
by Daisuke®
Newsletter Popup